Home / Semiconductor / TDA7310
Request Quote
Please complete all required fields with your contact information. Click "SUBMIT RFQ" we will contact you shortly by email. Or Email us: request@pargos.de
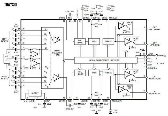
The TDA7310 is a volume, tone (bass and treble) and fader (front/rear) processor for high quality audio applications in car radio and Hi-Fi systems. Loudness and selectable input gain are provided. The control of all fuctions is accomplished by serial bus microprocessor interface. The AC signal setting is obtained by resistor networks and switches combined with operational amplifiers. Thanks to the used BIPOLAR/CMOS Tecnology, Low Distortion, Low Noise and DC stepping are obtained.
- INPUT MULTIPLEXER:
- 4 STEREO INPUTS
- ONE DIFFERENTIAL STEREO INPUT FOR REMOTE SOURCES - SELECTABLE INPUT GAIN FOR OPTIMAL ADAPTION TO DIFFERENT SOURCES
- INPUT AND OUTPUT FOR EXTERNAL EQUALIZER OR NOISE REDUCTION SYSTEM
- VOLUME CONTROL IN 1.25dB STEPS
- LOUDNESS FUNCTION
- TREBLE AND BASS CONTROL
- FOUR SPEAKER ATTENUATORS:
- 4 INDEPENDENT SPEAKERS CONTROL IN 1.25dB STEPS FOR BALANCE AND FADER FACILITIES
- INDEPENDENT MUTE FUNCTION - ALL FUNCTIONS PROGRAMMABLE VIA SERIAL BUS
- SELECTABLE CHIP ADDRESS DEDICATED PIN
NOT PULLED - NOT USED - NOT REFURBISHED - NOT SOLDERED - NOT RE-MARKED - NOT FAKED
EXCLUSIVELY NEW OLD STOCK (NOS)





