Home / Semiconductor / TCLT1103
Request Quote
Please complete all required fields with your contact information. Click "SUBMIT RFQ" we will contact you shortly by email. Or Email us: request@pargos.de
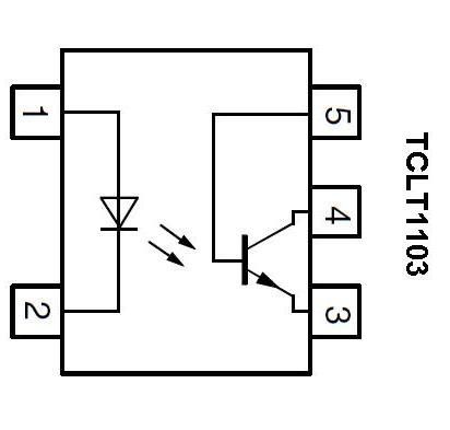
The TCLT1103 consists of a phototransistor optically coupled to a gallium arsenide infrared-emitting diode in a 5-lead SOP-6L packages. COMPAREABLE TO CNY17 and to EL817 / PC817 (compare the above illustration) The internal schematic (diode and phototransistor) of the TCLT1103 is identical to CNY17 and to EL817 / PC817 (without the external collector-pin).
Due to the partial better parameter values, the TCLT1103 is absolutely compareable to CNY17 and to EL817 / PC817. The 2-pin Side (diode) of the TCLT1103 package is pin-compatible including grid dimension (2,54mm). For the 3-pin side (phototransistor) it is necessary to a modification (grid dimension 1.27mm see above illustration).
FEATURES:
• SMD low profile 5 pin package
• Isolation test voltage 5000 VRMS
• Special construction
• Extra low coupling capacitance
• Connected base
• DC input with transistor output
• Creepage distance > 8 mm
APPLICATIONS:
• Switchmode power supplies
• Computer peripheral interface
• Microprocessor system interface.
NOT PULLED - NOT USED - NOT REFURBISHED - NOT SOLDERED - NOT RE-MARKED - NOT FAKED
EXCLUSIVELY NEW OLD STOCK (NOS)






